گلند آرموردار ضدانفجار سری 453 یکی از محصولات تخصصی شرکت ماشینسازی شمال است که برای استفاده در محیطهای دارای خطر انفجار و اشتعال طراحی شده است.
ویژگیها و مزایا گلند آرموردار 453
-
مناسب برای کابلهای آرموردار
-
طراحی ضدانفجار (Explosion-Proof / Flameproof) برای استفاده در Zone 1 و Zone 2
-
دارای درجه حفاظت IP66 در برابر نفوذ آب و گردوغبار
-
ساختهشده از آلیاژ برنج با آبکاری نیکل
-
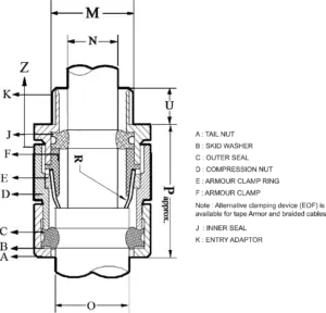
دارای گیره زره (Armour Clamp) برای اتصال ایمن کابل
-
در سایزهای مختلف از M16 تا M100 تولید میشود
-
قابلیت انتخاب نوع رزوه (Metric, BSP, NPT) برای سازگاری با تابلوها و محفظههای مختلف
برند محصول: ماشین سازی شمال
کد محصول:
توضیحات محصول
گلند آرموردار ضدانفجار ماشینسازی شمال مدل 453
گلند آرموردار ضدانفجار سری 453 یکی از محصولات تخصصی شرکت ماشینسازی شمال است که برای استفاده در محیطهای دارای خطر انفجار و اشتعال طراحی شده است. این گلند برای کابلهای دارای زره (Steel Wire Armour) تولید شده و با ساختار مقاوم در برابر نفوذ گاز، رطوبت و گردوغبار، ایمنی کامل در سیستمهای برقرسانی صنعتی را تضمین میکند.
از این مدل در صنایع نفت، گاز، پتروشیمی، پالایشگاهها، کارخانجات و ایستگاههای تقویت فشار گاز استفاده میشود.

ویژگیها و مزایا گلند آرموردار 453
-
مناسب برای کابلهای آرموردار
-
طراحی ضدانفجار (Explosion-Proof / Flameproof) برای استفاده در Zone 1 و Zone 2
-
دارای درجه حفاظت IP66 در برابر نفوذ آب و گردوغبار
-
ساختهشده از آلیاژ برنج با آبکاری نیکل
-
تحمل فشار تا 30 بار (450 psi) در آزمونهای استاندارد
-
دارای گیره زره (Armour Clamp) برای اتصال ایمن کابل
-
در سایزهای مختلف از M16 تا M100 تولید میشود
-
قابلیت انتخاب نوع رزوه (Metric, BSP, NPT) برای سازگاری با تابلوها و محفظههای مختلف
نکات پیش از خرید
-
قطر خارجی کابل را دقیق اندازهگیری کنید تا سایز گلند درست انتخاب شود.
-
برای محیطهای خورنده، مدل استیل ضدزنگ توصیه میشود.
-
هنگام نصب، استفاده از ارت تگ و واشر آببندی جهت حفظ IP66 ضروری است.
-
تفاوت این مدل با سری 421 در وجود زره (Armour) است؛ 453 برای کابلهای زرهدار طراحی شده است.
قیمت گلند 453 ماشینسازی شمال
قیمت گلند 453 بسته به سایز، جنس بدنه و نوع رزوه متفاوت است. به طور میانگین، سایزهای کوچکتر (M20) قیمت پایینتری دارند و سایزهای بزرگتر (M63 به بالا) قیمت بالاتری دارند.
برای استعلام دقیق قیمت و موجودی، پیشنهاد میشود از نمایندگی رسمی مانند شرکت پارس کنترل سپاهان استعلام بگیرید.
مشاهده همه متعلقات گلند .
پرسشهای متداول (FAQ)
مشخصات فنی
| نوع کابل | آرموردار |
|---|---|
| درجه حفاظت | IP66 |
| نوع حفاظت انفجاری | Ex d IIC |
| مناطق قابل استفاده | Zone 1 و Zone 2 |
| جنس بدنه | برنج آبکاری نیکل |
کد دهی
برای مثال:
اگر قطر کابل 14 میلیمتر باشد و آرمر دار و دنده متریک باشد،از گلند M20-A-453
و اگر قطر کابل 14 میلیمتر باشد و آرمردار و دنده اینچی باشد از 3/4A-453 استفاده می شود.


ابعاد
این محصول فایل مرتبط ندارد.
